Главная страница      
  Техпром  
 
     
 
Газорегуляторный пункт блочный

Газорегуляторные пункты ГРПШ, ГРУ, ГРПБ предназначены для редуцирования высокого или среднего давления на требуемое, автоматического поддержания заданного выходного давления независимо от изменения расхода и входного давления, автоматического отключения подачи газа при аварийных повышении или понижении выходного давления от допустимых заданных значений, очистки газа поставляемого по ГОСТ 5542-87.

Пункты используются для различных видов потребителей (в системах газоснабжения сельских или городских населенных пунктов, коммунально-бытовых зданий, объектов промышленного и сельскохозяйственного назначения, и т.д.)

Условия эксплуатации пункта должны соответствовать климатическому исполнению IV категории 1 по ГОСТ 15150-69, для работы при температуре окружающей среды от минус 40 до плюс 60°С.

Пример записи при заказе: Газорегуляторный пункт шкафной с отоплением, с основной и резервной линией редуцирования, с двумя регуляторами РДГ-50Н, и одним выходом ГРПШ-13-2Н-У1 ТУ 4859-002-75986094-2005.

По индивидуальному заказу возможна поставка пункта с отоплением, с газовыми счетчиками и измерительными комплексами различных модификаций

Наименование параметра ГРУ-13-2Н(В)-У1
ГРПШ-13-2Н(В)-У1
ГРПБ-13-2Н(В)-У1
ГРУ-15-2Н(В)-У1
ГРПШ-15-2Н(В)-У1
ГРПБ-15-2Н(В)-У1
ГРУ-16-2Н(В)-У1
ГРПШ-16-2Н(В)-У1
ГРПБ-16-2Н(В)-У1
РегуляторРДГ-50Н(В)РДГ-80Н(В)РДГ-150Н(В)
Седло регулятора, мм303598456598
Регулируемая средаПриродный газ по ГОСТ 5542-87
Давление газа на входе, Рвх., МПа1,2
Диапазон настройки давления газа на выходе, Рвых., кПа1,5–60 (60–600)
Пропускная способность (для газа плотностью g=0,73 кг/м³), м³/час., не менее238034422720060351241027200
Диапазон давления срабатывания механизма контроля, МПа
при понижении выходного давленияне менее 0,5 Рвых.
при повышении выходного давления1,25 Рвых.±10%
Давление срабатывания предохранительного сбросного клапана, МПа1,15 Рвых.
Масса ГРПШ, кг, не более450620720
Примечания
  1. Пункты настроены на минимальное выходное давление
  2. По требованию потребителя пункты настраиваются на выходное давление указанное в техническом задании (опросном листе).

Газорегуляторный пункт шкафной представляет собой рамную сварную конструкцию, обшитую стальными листами, в которой расположено газовое оборудование.

В конструкции пункта предусмотрена естественная постоянно действующая вентиляция, через жалюзийные решетки, обеспечивающая трехкратный воздухообмен в час.

Пункты имеют строповочные устройства (места строповки), рассчитанные на подъем и погрузку.

В состав пункта входит:

  • узел фильтра;
  • линия редуцирования давления газа;
  • обводная линия, байпас.
  • При монтаже пункта к выходному газопроводу, на расстоянии 5ДN от перехода подключить предохранительный сбросной клапан и импульсный трубопровод.

    Пункт работает следующим образом: газ по входному трубопроводу через входной кран, фильтр поступает к регулятору давления газа, где происходит снижение давления газа до установленного значения и поддержание его на заданном уровне, и далее через выходной кран поступает к потребителю.

    При повышении выходного давления выше допустимого заданного значения (см. паспорт, таблица 1), открывается сбросной клапан и происходит сброс газа в атмосферу.

    При дальнейшем повышении или понижении контролируемого давления газа сверх допустимых пределов (см. паспорт, таблица 1), срабатывает предохранительно запорный клапан, перекрывая вход газа в регулятор.

    На фильтре установлен манометр для определения перепада давления на фильтрующей кассете. Максимально допустимое падение давления на кассете фильтра 1000 даПа (1000 кгс/м²).

    В случае ремонта оборудования при закрытых входном и выходном кранах, газ поступает к потребителю по обводному газопроводу, байпасу. Регулирование давления газа производится двумя последовательно установленными кранами. Контроль давления производится по выходному манометру.

    На входном газопроводе после входного крана, после регулятора давления газа и на байпасе предусмотрены продувочные трубопроводы.

    Устройство и принцип работы комплектующего оборудования указан в паспортах завода-изготовителя на данное оборудование.

    Ресурс пункта до первого капитального ремонта соответствует ресурсу и сроку службы комплектующих изделий, входящих в составную часть, и определяется в соответствии с индивидуальными формулярами (паспортами, этикетками) на них.

    Хранение пунктов должно осуществляться в вертикальном положении, в один ярус в закрытых помещениях, обеспечивающих сохранность от механических повреждений и воздействия агрессивных сред в условиях хранения — 4 в соответствии с ГОСТ 15150-69.

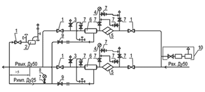
    Функциональная схема

    Функциональная схема ГРПШ-13-2Н(В)-У1

    1 — кран шаровой КШ-50 — 5 шт.; 2 — клапан предохранительный сбросной ПСК-50Н — 1 шт; 3 — кран шаровой КШ-20 — 4 шт; 4 — манометр входной типа МТ — 2 шт; 5 — фильтр газовый типа ФГ — 2 шт; 6 — регулятор давления газа типа РДГ-50Н — 2 шт; 7 — кран шаровой КШ-15 — 9 шт; 8 — выходной манометр типа МТ — 1 шт; 9 — кран шаровой КШ-25 — 2 шт; 10 — узел отопления с газовым обогревателем.