|
|||||||||||||||||||||||||||||||||||||||||||||||||||||||||||||||||||||||||||||||||||||||||||||||||||||||||||||||||||||||||||||||||
|
|||||||||||||||||||||||||||||||||||||||||||||||||||||||||||||||||||||||||||||||||||||||||||||||||||||||||||||||||||||||||||||||||
Газорегуляторные пункты с одной линией редуцирования и байпасом с регуляторами типа РДГ |
|||||||||||||||||||||||||||||||||||||||||||||||||||||||||||||||||||||||||||||||||||||||||||||||||||||||||||||||||||||||||||||||||
![]() Газорегуляторные пункты ГРПШ, ГРУ, ГРПБ предназначены для редуцирования высокого или среднего давления на требуемое, автоматического поддержания заданного выходного давления независимо от изменения расхода и входного давления, автоматического отключения подачи газа при аварийных повышении или понижении выходного давления от допустимых заданных значений, очистки газа поставляемого Пункты используются для различных видов потребителей (в системах газоснабжения сельских или городских населенных пунктов, коммунально–бытовых зданий, объектов промышленного и сельскохозяйственного назначения, и т.д.)
Условия эксплуатации пункта должны соответствовать климатическому исполнению IV категории 1 Пример записи при заказе: Газорегуляторный пункт шкафной с одной линией редуцирования и байпасом По индивидуальному заказу возможна поставка пункта с отоплением, с газовыми счетчиками и измерительными комплексами различных модификаций.
Газорегуляторный пункт шкафной представляет собой рамную сварную конструкцию, обшитую стальными листами, в которой расположено газовое оборудование. В конструкции пункта предусмотрена естественная постоянно действующая вентиляция, через жалюзийные решетки, обеспечивающая трехкратный воздухообмен в час. Пункты имеют строповочные устройства (места строповки), рассчитанные на подъем и погрузку. В состав пункта входит:
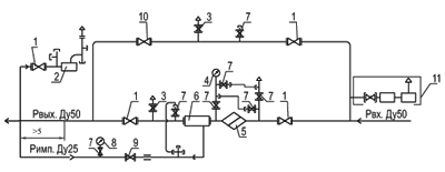
При монтаже пункта к выходному газопроводу, на расстоянии 5ДN от перехода подключить предохранительный сбросной клапан и импульсный трубопровод. Пункт работает следующим образом: Газ по входному трубопроводу через входной кран, фильтр поступает к регулятору давления газа, где происходит снижение давления газа до установленного значения и поддержание его на заданном уровне, и далее через выходной кран поступает к потребителю. При повышении выходного давления выше допустимого заданного значения (см. паспорт, таблица 1), открывается сбросной клапан и происходит сброс газа в атмосферу. При дальнейшем повышении или понижении контролируемого давления газа сверх допустимых пределов (см. паспорт, таблица 1), срабатывает предохранительно запорный клапан, перекрывая вход газа в регулятор. На фильтре установлен манометр для определения перепада давления на фильтрующей кассете. Максимально допустимое падение давления на кассете фильтра 1000 даПа (1000 кгс/м²). В случае ремонта оборудования при закрытых входном и выходном кранах, газ поступает к потребителю по обводному газопроводу, байпасу. Регулирование давления газа производится двумя последовательно установленными кранами. Контроль давления производится по выходному манометру. На входном газопроводе после входного крана, после регулятора давления газа и на байпасе предусмотрены продувочные трубопроводы. Устройство и принцип работы комплектующего оборудования указан в паспортах завода-изготовителя на данное оборудование. Ресурс пункта до первого капитального ремонта соответствует ресурсу и сроку службы комплектующих изделий, входящих в составную часть, и определяется в соответствии с индивидуальными формулярами (паспортами, этикетками) на них. Хранение пунктов должно осуществляться в вертикальном положении, в один ярус в закрытых помещениях, обеспечивающих сохранность от механических повреждений и воздействия агрессивных сред в условиях хранения — 4 в соответствии Функциональная схема![]() 1 — кран шаровой КШ-50 — 4 шт.; 2 — клапан предохранительный сбросной КПС-Н — 1 шт; 3 — кран шаровой КШ-20 — 3 шт; 4 — манометр входной типа МТ — 1 шт; 5 — фильтр газовый типа ФГ — 1 шт; 6 — регулятор давления газа типа РДГ —1 шт; 7 — кран шаровой КШ-15 — 6 шт; 8 — манометр выходной типа МТ —1 шт; 9 — кран шаровой КШ-25 — 1 шт; 10 — кран шаровой с механическим приводом КШ-50 — 1 шт; 11 — узел отопления газовым обогревателем. |
|||||||||||||||||||||||||||||||||||||||||||||||||||||||||||||||||||||||||||||||||||||||||||||||||||||||||||||||||||||||||||||||||
|
Авторское право © 2026 ООО «Техпром». Все права защищены. |
||||||||||||||||||||||||||||||||||||||||||||||||||||||||||||||||||||||||||||||||||||||||||||||||||||||||||||||||||||||||||||||||