| |
|
Регулятор давления газа РДГК-10М предназначен для редуцирования высокого или среднего давления на низкое, автоматической стабилизации выходного давления на установленном уровне независимо от изменений входного давления и расхода, автоматического отключения подачи газа при аварийном повышении и понижении выходного давления за пределы допустимых установленных значений.
| Наименование параметра | РДГК-10 | РДГК-10М |
| Регулируемая среда | природный газ по ГОСТ 5542-87 сжиженный газ по ГОСТ 20448-90 |
| Температура окружающей среды, °С | −40…+60 |
| Максимальное входное давление, МПа | 0,6 |
| Минимальное входное давление, МПа | 0,05 |
| Номинальное выходное давление, кПа | 1,5–2,0 |
| Пропускная способность, м³/ч |
| Рвх=0,05 МПа | 4 | 16 |
| Рвх=0,1 МПа | 8 | 25 |
| Рвх=0,2 МПа | 9 | 40 |
| Рвх=0,3 МПа | 11 | 55 |
| Рвх=0,4 МПа | 13 | 70 |
| Рвх=0,5 МПа | 14 | 80 |
| Рвх=0,6 МПа | 15,5 | 90 |
| Неравномерность регулирования, % (не более) | ±10% |
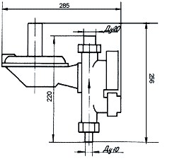
| Присоединительные размеры |
| входного патрубка, условный проход, мм | 10 |
| выходного патрубка, условный проход, мм | 20 |
| Габаритные размеры, мм | 395×166×266 |
| Присоединительная резьба | G3/4-В |
| Строительный размер, мм | 220 |
| Масса, кг (не более) | 4 |
| Срок службы, лет | 15 |
| Гарантийный срок, лет | 5 |
Функциональная схема
|
|