Тройник электросварной с переходом на фланец ПЭ100, SDR11 Арт. 499404
Описание:
- применяются для водопроводов и рассчитаны на рабочее давление 16 бар для воды в течение 50 лет эксплуатации.
- закрытая спираль, предотвращает попадание загрязнений, увеличивает качество сварки.
- спираль из особого материала, который не требует температурной компенсации, приводит к уменьшению времени сварки.
Технические характеристики:
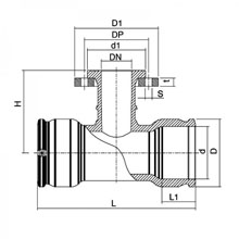
Size d x d1 (мм) |
L (мм) |
L1 (мм) |
D (мм) |
H (мм) |
A (мм) |
D1 (мм) |
t (мм) |
s (мм) |
d1 (мм) |
DP (мм) |
W (гр.) |
UC (шт. в кор) |
| 90x80x 90 |
293 |
71 |
112 |
165 |
71 |
200 |
20 |
8 x 18 |
138 |
160 |
2655 |
8 |
| 110x80x110 |
328 |
72 |
143 |
181 |
81 |
200 |
20 |
8 x 18 |
138 |
160 |
3825 |
6 |
| 110x100x110 |
328 |
72 |
143 |
181 |
81 |
220 |
22 |
8 x 18 |
158 |
180 |
3930 |
6 |
| 125x 80x125 |
381 |
85 |
163 |
190 |
87 |
200 |
20 |
8 x 18 |
138 |
160 |
4650 |
4 |
| 125x100x125 |
381 |
85 |
163 |
190 |
87 |
220 |
22 |
8 x 18 |
158 |
180 |
4795 |
3 |
| 16 x80x160 |
443 |
86 |
199 |
210 |
104 |
200 |
20 |
8 x 18 |
138 |
160 |
6175 |
3 |
| 160x100x160 |
443 |
86 |
199 |
210 |
104 |
220 |
22 |
8 x 18 |
158 |
180 |
6375 |
3 |
| 180x80 x180 |
420 |
104 |
244 |
225 |
114 |
200 |
20 |
8 x 18 |
138 |
160 |
6320 |
2 |
| 180x100x180 |
420 |
104 |
244 |
225 |
114 |
220 |
22 |
8 x 18 |
158 |
180 |
6375 |
2 |
| 200x 80x 200 |
447 |
112 |
261 |
240 |
125 |
200 |
20 |
8 x 18 |
138 |
160 |
|
|
| 200x100x200 |
447 |
112 |
261 |
245 |
125 |
220 |
20 |
8 x 18 |
158 |
180 |
|
|
| 225x80 x 225 |
492 |
120 |
294 |
255 |
140 |
200 |
20 |
8 x 18 |
138 |
160 |
|
|
| 225x100x225 |
492 |
120 |
294 |
260 |
140 |
220 |
20 |
8 x 18 |
158 |
180 |
|
|
| 250x 80 x250 |
538 |
128 |
326 |
270 |
152 |
200 |
20 |
8 x 18 |
138 |
160 |
|
|
| 250x100x250 |
538 |
128 |
326 |
275 |
152 |
220 |
20 |
8 x 18 |
158 |
180 |
|
|
Габаритные размеры
|