Кран шаровый полиэтиленовой ПЭ100, SDR11 Арт. 436207
Описание:
- применяются для газо- и водопроводов и рассчитаны на рабочее давление 10 бар для газа и 16 бар для воды в течение 50 лет эксплуатации.
- кран шаровый полиэтиленовый PLASSON поставляется в комплекте с телескопическим ключом h — 1.3-2.1 м.
Технические характеристики:
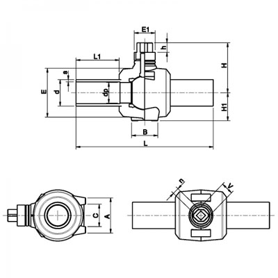
Size D (мм) |
L (мм) |
L1 (мм) |
D (мм) |
D сечения (мм) |
W (гр) |
| 32 |
320 |
75 |
32 |
24 |
600 |
| 40 |
370 |
100 |
40 |
24 |
700 |
| 50 |
370 |
110 |
50 |
40 |
1100 |
| 63 |
370 |
110 |
63 |
40 |
1300 |
| 90 |
530 |
160 |
90 |
73 |
3700 |
| 110 |
530 |
160 |
110 |
73 |
8400 |
| 125 |
530 |
160 |
125 |
73 |
8400 |
| 160 |
680 |
210 |
160 |
98 |
13000 |
| 180 |
680 |
210 |
180 |
98 |
13600 |
| 225 |
680 |
210 |
225 |
98 |
18200 |
Габаритные размеры
|